 |
 |
 |
 |
 |
|
Krokus development |
|
|
Latest news |
|
|
The krokus Datalogger has performed a 10 day continuous and unattended testrun errorfree and with excellent results.
Below you see the ten nights and nine days in blue. Again red is temperature, green is relative humidity and blue is the ambient light. The datalogger was located in our living room.
The weather graph of 5-5-2005 is included. In the Datalogger picture it corresponds to the third blue peak from the left, this can also be seen in the date printed on the x-axis. Here red and green are the standard colours, yellow is a measure for the energy in the light of the sun. |
|
|
|
|
|
10 day continuous and unattended testrun.
|
|
|
Weather station and Krokus Datalogger merged |
|
|
The Krokus Dataloggers and the weather station are now tied together to display graphics simultaneously.
Below you see a weather graph of 27-4-2005 with temperature (red), relative humidity (green) and the power of the sun (yellow). Underneath is the familiar Krokus graph for the same time period. |
|
|
|
|
|
|
|
|
Krokus A in 24 hour testrun |
|
|
The Krokus A has successfully completed a 24 hour unattended testrun. It produced the graph below.
Verticale scale: Red = Temperature, 15 to 40 Centigrade. Green = Relative Humidity, 25 to 75% Blue = Light intensity, 0-100%
Horizontal scale: time, 24 hours total
The system was placed in front of the window and left alone for 24 hours, measuring Temperature, Relative Humidity and light every 2 seconds. The only connection to the system was the power supply. |
|
|
|
|
|
First 24 hour continuous test with Krokus A The values in this graph show the cycles of night and day. Light goes up in the morning and in the evening it gets dark :-). Temperature and RH react verry distinctive when in the afternoon the sun shines through te window.
|
|
|
Krokus data fit most spreadsheets |
|
|
The data produced by the Krokus Dataloggers can now be used in most spreadsheet programs.
All spreadsheet programs that can read files in the comma seperated values (CSV) format can display and manipulate Krokus data. Once you have the file you can go everywhere. This is truly platform independend, so it works for the PC, for Linux, for the Macintosh etc.
Making tables and graphs is made easy and accesible to everybody. Analysis and presentation of the data have made a major step forward with respect to ease of use and the visual effect of the results. |
|
|
Krokus A/B Research Model |
|
|
Krokus A/B, dual use Research Model This is a fully functional Krokus A and a Krokus B in one system. It is used to test the functional part of the setup and to develop de Datalogging and Dataviewing firmware and PC-software. From this point a printed cicuit can be developed for SMD and/or through hole component mounting. A full SMD design can reduce the size of the PCB considerably. The functionality of the components will stay the same so the development of firmware and software can be carried out on either board without problems.
|
|
|
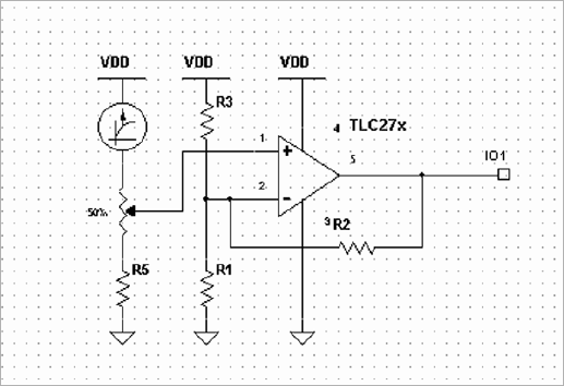
Signal conditioner, typical setup |
|
|
Rail to rail operational amplifier Used as a signal conditioner in Krokus Datalogger applications
|
|
|
Structure of a Krokus instrument |
|
|
A Krokus instrument is built from the following components:
*Microprocessor *Permanent memory (EEPROM) *Bluetooth module for the Krokus B) *LC Display with backlight *Clock IC *Power supply *Sensors
Below are pictures of the main components:
|
|
|
Processor Krokus |
|
|
This chip is the hart of the Krokus system
|
|
|
EEPROM memory |
|
|
Memory module, can be expanded if needed
|
|
|
Communication with Krokus B |
|
|
Bluetooth module for Krokus B
|
|
|
Communication Krokus B toPC |
|
|
USB Bluetooth adapter for PC
|
|
|
Krokus instruments |
|
|
These are instruments of the Krokus family From top to bottom: -Krokus Datamini, miniature datalogging instrument. -Krokus Datalogger, powerfull datalogging instrument. -Krokus Remote Sensor, wireless measuring instrument. -Krokus main instrument and control center, a precision Datalogger and a wireless hub for Krokus Remote Sensors.
|
|
|
Krokus development |
|
|
Below is an example of the kind of code the Dataloggers are filled with:
void Write_Data_to_EEPROM(char* buffer) { byte data_NV_RAM_L=0,data_NV_RAM_H=0;
Array_to_Bytestring(buffer);
WriteBuffer1(buffer);
Adres+=lbuffer;
if(Adres>263-lbuffer){ Write_Buffer_To_Main(); Adres=0; } }
Bromsmurfsite
|
|
|
Cute little Gizmo's Bromsmurfs electronics workbench
|
|
 |